股票 杠杆-股票推荐机构靠什么赚钱-【东方资本】,有哪些正规股票的加杠杆平台啊,配资炒股赚10万是真的吗,同花顺 怎么开户

cs防爆.png cs防爆-ph.png

艾利特CS66-Ex防爆系列協作機器人

多重防爆,IP68防護,模塊化設計,高安全性

CS66-Ex
  • 亮點
  • 參數
  • 圖紙
  • 控制箱/示教器/示教軟件
  • 相關資源
  • 相關產品

CS66-Ex

  • b3icon1-594.svg
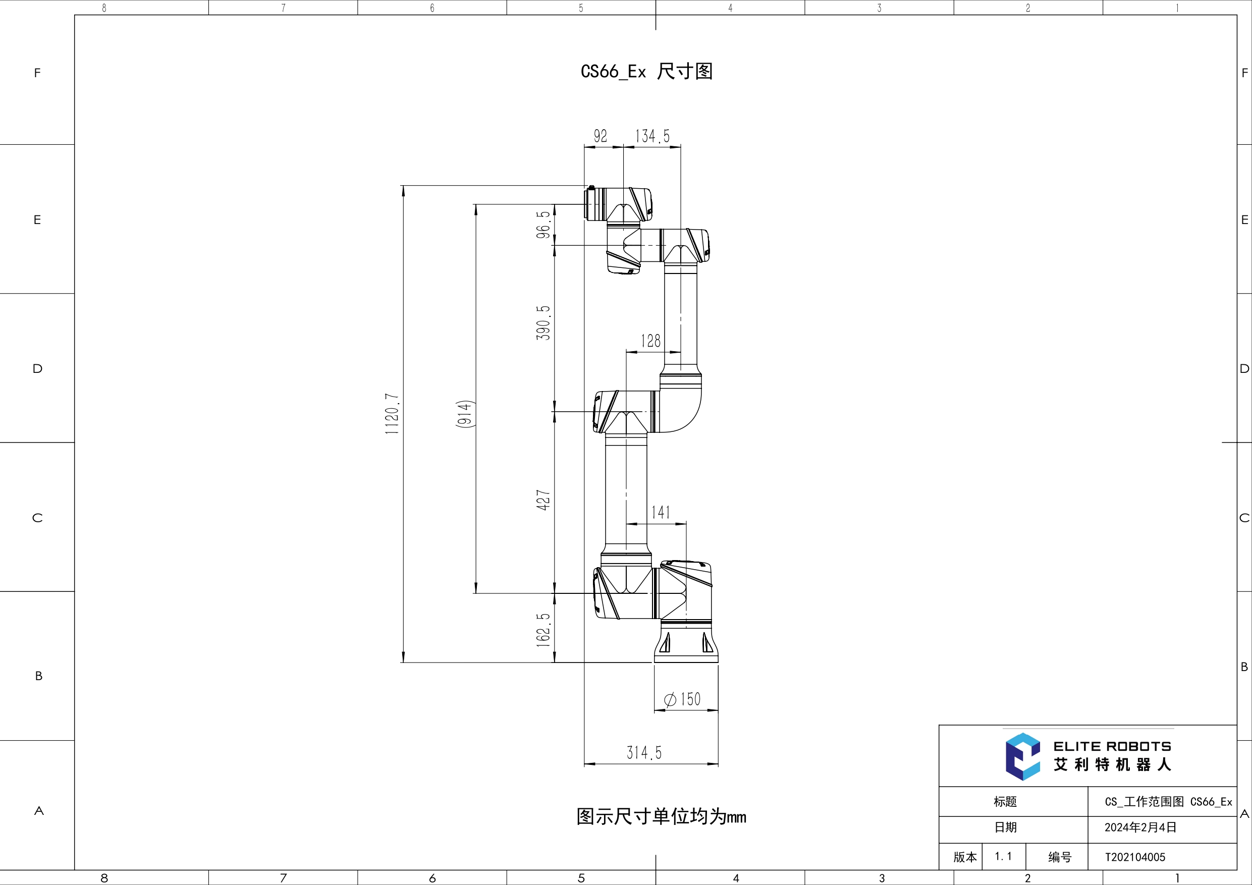
    914mm

    工作半徑

  • b3icon2-752.svg
    6kg

    負載

  • b3icon3.svg
    ±0.02mm

    重復定位精度

  • b3icon4.svg
    20Kg

    自重

產品參數

  • 技術參數
  • 關節參數
  • 物理參數及認證
  • 配件型號
    • 名稱參數
      自由度6
      負載6kg
      工作半徑914mm
      重復定位精度±0.02mm
      典型功耗320W
      安裝方式任意角度

    • 關節運動范圍關節最大速度
      基座±360°150°/s
      肩部±360°150°/s
      肘部±360°180°/s
      腕部1±360°230°/s
      腕部2±360°230°/s
      腕部3±360°230°/s
      最大工具速度2.8m/s2.8m/s
    • 名稱參數
      自重20kg
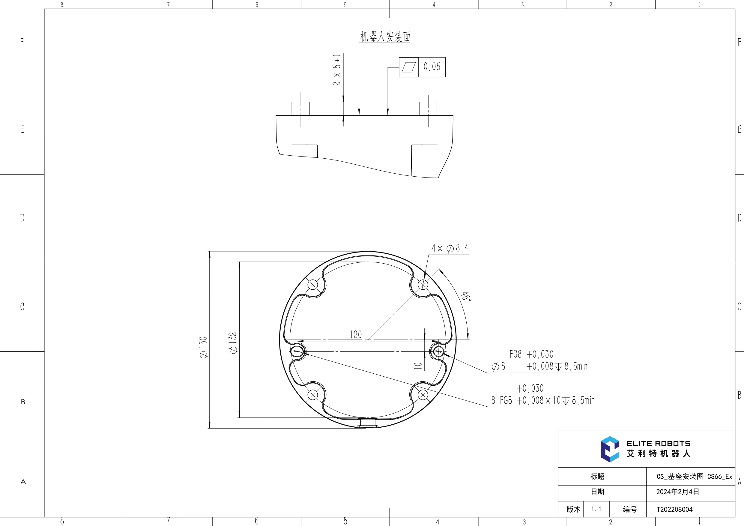
      底座直徑Φ150mm
      IP防護等級IP68
      工作環境溫度-10℃ ~ 50℃
      工作環境濕度90%相對濕度(非冷凝)
      材料鋁合金、鋼、塑料、橡膠
      標準線纜長度5.5m
      防爆標志Ex db eb ib mb pxb IIC T4 Gb, Ex ib mb pxb tb IIIC T130℃ Db
    • 名稱參數
      控制柜ERB1C2K0X
      示教器ERP400
      全能示教器(選配)ERP400S
CS66-Ex.png

產品圖紙

  • 外形尺寸圖
  • 工作范圍圖
  • 基座俯視圖
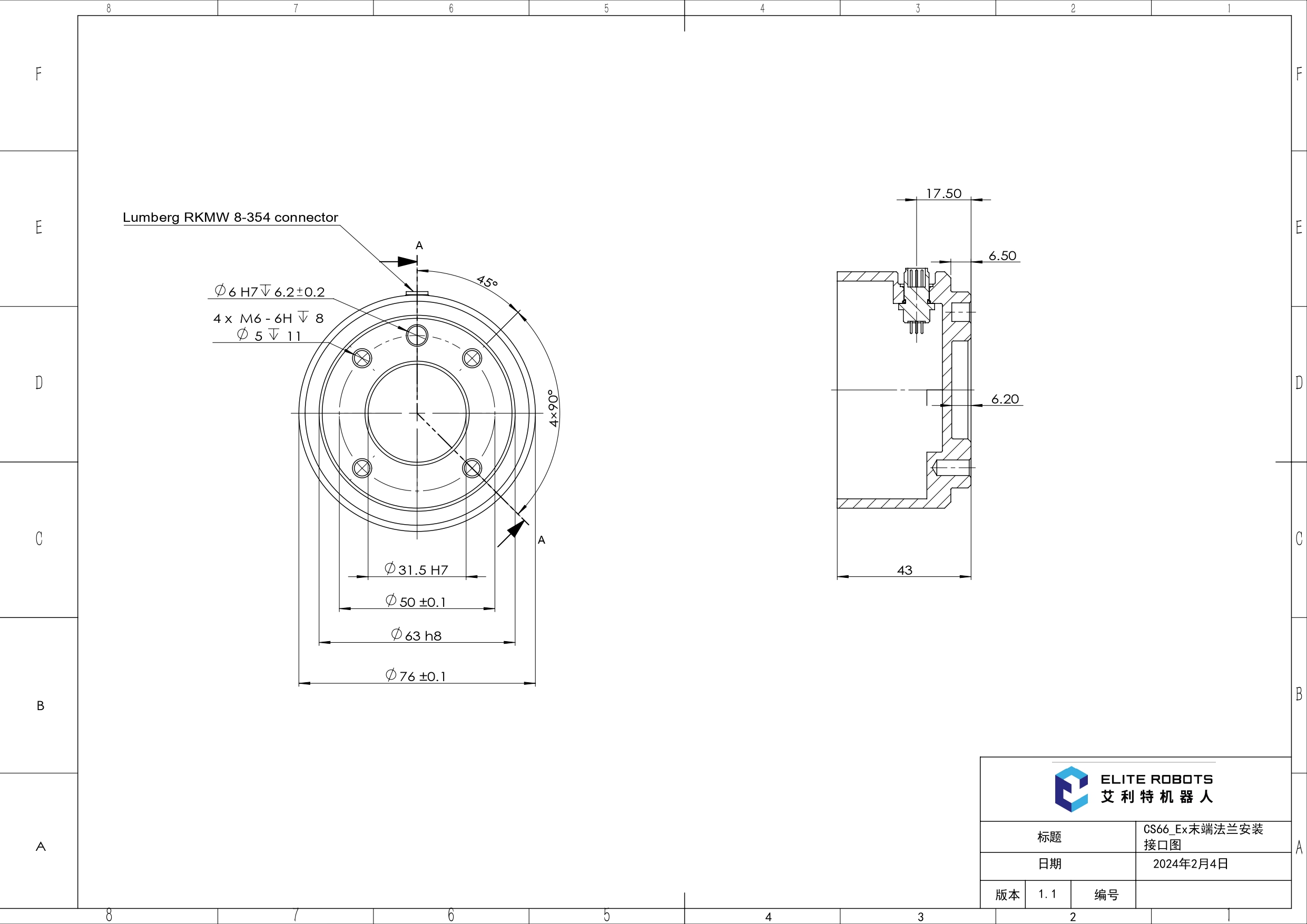
  • 末端法蘭圖
  • 控制箱

    ERB2E2K0-220/110 / ERB2E2K0-48/24 (標配)
    ERB1E2K0E-48 (選配)

    b1_img15.png
  • 示教器/示教軟件

    示教器/示教軟件

    b1_img16.png
download-669.svg comicon14.svg

電話咨詢

download-397.svg comicon15.svg

免費試用

Vector.svg Frame.svg

微信小程序

img1.jpg

微信小程序

準備好突破增長瓶頸,開啟智能制造了嗎?
了解我們的機器人如何幫助您的業務增長
歡迎下載艾利特機器人資料

我已閱讀并同意艾利特《隱私政策》《法律聲明》

我已知曉并同意艾利特通過電子郵件發送相關資料

提交